Logiciel d’analyse PC à distance et hors ligne – EDN
Compte tenu du coût des instruments de test électroniques tels que les oscilloscopes, la plupart des fournisseurs d’instruments trouvent des moyens d’y accéder plus librement. Pour ce faire, ils proposent notamment un logiciel prenant en charge l’accès à distance et l’analyse hors ligne des données enregistrées. Ainsi, si vous êtes un technicien travaillant dans le laboratoire et que vous avez une question, vous pouvez accéder à l’oscilloscope à distance et voir quel est le problème. Ou, si vous avez terminé une semaine de tests et découvert que certaines mesures importantes n’avaient pas été effectuées, vous pouvez allumer votre PC et ajouter les mesures requises à vos données enregistrées sans avoir à retourner au laboratoire. Tout cela est possible grâce à ces outils logiciels.
Les trois principaux fournisseurs d’oscilloscopes ont proposé des outils d’analyse à distance et hors ligne. Cela inclut Maui Studio de Teledyne LeCroy, TekScope de Tektronix et le logiciel Keysights PathWave BenchVue Oscilloscope. Habituellement, ils offrent une version gratuite avec des capacités limitées et une version (ou des versions) mise à niveau moyennant un coût, avec un ensemble complet de fonctionnalités. Cet article est basé sur le Teledyne LeCroy Maui Studio, mais d’autres fournisseurs d’instruments ont des logiciels avec des capacités similaires.
Studio Maui
Le logiciel Teledyne LeCroys Maui Studio offre la possibilité de travailler à distance depuis votre oscilloscope tout en ayant toutes les fonctionnalités de votre oscilloscope à portée de main. Maui Studio permet également l’accès à un oscilloscope distant, la possibilité d’importer des données et des configurations à l’aide d’un fichier LabNotebook amélioré, la capacité d’importer des formes d’onde d’oscilloscopes d’autres fabricants à des fins de comparaison et d’analyse, ainsi que la possibilité de modéliser des tests de réponse à la source à l’aide du générateur de fonctions arbitraires intégré pouvant fournir des formes d’onde standard et arbitraires. Tout cela depuis votre ordinateur personnel local.
Télécommande
Le pilotage à distance d’un oscilloscope est commun à toutes les offres logicielles de pilotage et d’analyse à distance. Maui Studio se connecte à l’oscilloscope distant Teledyne LeCroy Maui via une connexion réseau. Évidemment, le réseau doit être configuré pour permettre l’accès à distance. Entrez simplement l’adresse IP ou le nom d’hôte de l’oscilloscope distant dans l’onglet Portée distante de Maui Studio sous le menu déroulant du fichier et appuyez sur le bouton Connecter pour établir une liaison avec l’instrument distant, comme indiqué dans Figure 1.

Figure 1 Un exemple de connexion à distance entre Maui Studio et un oscilloscope à distance. La connexion est gérée à l’aide de l’onglet Remote Scope dans Maui Studio.
Maui Studio peut contrôler tous les aspects de l’oscilloscope à distance, notamment les paramètres d’acquisition, le déclenchement, le contrôle de trace et l’affichage. Les données peuvent être transférées de l’oscilloscope vers Maui Studio ou de Maui Studio vers l’oscilloscope. Lors du transfert de données depuis l’oscilloscope, non seulement les paramètres et les formes d’onde sont transférés, mais Maui Studio est reconfiguré pour correspondre au modèle d’oscilloscope distant et au contenu des options. Maui Studio peut être configuré comme l’une des 6 familles d’oscilloscopes différentes et jusqu’à un total de 39 modèles distincts. Il s’agit d’une fonctionnalité très importante car elle permet à Maui Studio d’avoir un accès complet à toutes les capacités du modèle d’oscilloscope déporté et à toutes ses options disponibles.
L’utilisateur peut choisir de synchroniser Maui Studio avec l’oscilloscope déporté lors de la connexion ou de transférer les données manuellement. Dans l’exemple de la figure 1, une forme d’onde segmentée d’un dispositif de télémétrie à ultrasons est transférée à Maui Studio. Le signal peut être traité ou analysé à l’aide de l’un des outils mathématiques ou d’analyse disponibles dans l’oscilloscope à distance. Les exemples illustrés incluent la moyenne des cinq segments et l’application d’un filtre à la forme d’onde. Les mesures de paramètre et de curseur peuvent être effectuées comme indiqué.
Lorsque votre analyse est terminée, les résultats peuvent être enregistrés à l’aide du générateur de rapports LabNotebook amélioré des oscilloscopes qui enregistre l’état complet de l’instrument, y compris les traces de forme d’onde, les paramètres, les mesures et une copie papier de l’écran. Les traces, les paramètres et la copie papier peuvent également être enregistrés manuellement. Tous les fichiers peuvent être retransférés vers l’oscilloscope distant pour référence future.
Transfert de fichiers entre Maui Studio et l’oscilloscope à distance
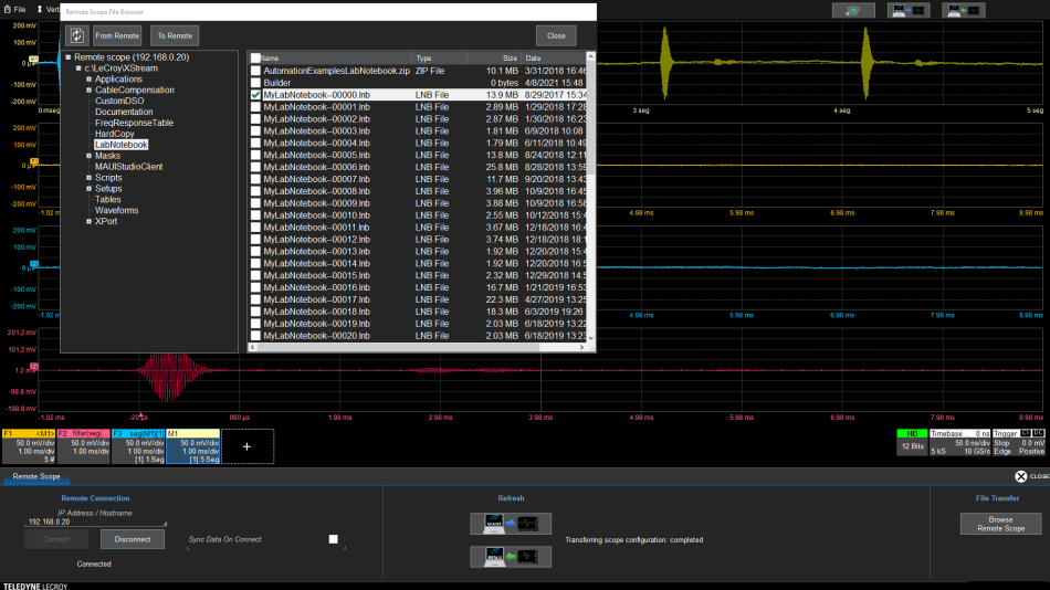
Maui Studio comprend une fonction de transfert de fichiers qui facilite le transfert de fichiers, de manière bidirectionnelle entre Maui Studio et l’oscilloscope distant. L’accès à la fonction de transfert de fichiers s’effectue en appuyant sur le bouton Parcourir l’étendue à distance dans la section Transfert de fichiers de la boîte de dialogue de l’étendue à distance qui s’affiche dans Figure 2.

Figure 2 La fonction de transfert de fichiers de Maui Studio facilite le transfert de fichiers entre l’oscilloscope distant et Maui Studio. Les fichiers peuvent être partagés dans les deux sens.
Le bouton Parcourir l’oscilloscope distant permet d’accéder aux répertoires de l’oscilloscope sur l’oscilloscope distant. Les boutons From Remote et To Remote contrôlent la direction du transfert. La sélection d’un fichier dans l’un des répertoires affichés fera apparaître une invite pour sélectionner une destination. Lorsque les deux extrémités du transfert ont été choisies, une invite OK apparaît, appuyer sur OK exécute le transfert. Cette fonctionnalité de transfert de fichiers est utile pour déplacer des rapports, des procédures de test et d’autres documents entre Maui Studio et l’oscilloscope distant.
Transfert de formes d’onde entre oscilloscopes de différents fabricants
Maui Studio, comme les autres progiciels d’accès et d’analyse à distance, peut importer des formes d’onde à partir d’autres instruments. Maui Studio peut rappeler les données de forme d’onde de tous les principaux fournisseurs d’oscilloscopes, notamment Keysight, Rohde et Schwarz, Tektronix et Yokogawa. Seules les formes d’onde sont importées, aucun autre aspect de l’oscilloscope n’est importé. De plus, Maui Studio peut rappeler les données de forme d’onde ASCII avec quelques modifications mineures et fournit une fonctionnalité d’importation plus générale s’étendant à une large gamme d’instruments, de capteurs et de logiciels d’analyse tiers.
L’utilisation de la sélection Recall Waveform dans le menu déroulant File ouvrira le Recall Waveform Browser affiché dans figure 3.

figure 3 Maui Studio peut importer des formes d’onde d’oscilloscopes d’autres fabricants, y compris des fichiers de Keysight/Rohde Schwarz (.BIN), Tektronix (.WFM) et Yokogawa (.WVF).
En sélectionnant le type de fichier approprié et le fichier de forme d’onde souhaité et en appuyant sur le bouton Recall Now, la forme d’onde sera importée dans la mémoire de destination sélectionnée et affichée dans Maui Studio. À ce stade, n’importe quel outil d’analyse et de mesure de Maui Studios peut être utilisé sur la forme d’onde importée.
Figure 4 fournit un exemple de forme d’onde .bin ouverte dans Maui Studio avec des mesures et des analyses supplémentaires appliquées. Notez que les points de données de la forme d’onde sont transférés avec la longueur d’enregistrement des formes d’onde, la fréquence d’échantillonnage, le décalage horizontal, le gain et le décalage verticaux et l’emplacement de déclenchement, ce qui permet un affichage correct de la forme d’onde et une mesure précise.

Figure 4 Un signal RF contenu dans une trace de forme d’onde .bin est importé dans la mémoire M2 de Maui Studio (trace en haut à gauche). L’analyse et les mesures révèlent l’amplitude du signal, l’enveloppe de modulation, la fréquence de modulation et la FFT de la forme d’onde multi-tons importée.
La possibilité d’intégrer des données provenant de nombreux instruments différents peut être extrêmement utile dans les revues de conception et l’évaluation des performances des produits. Surtout dans les entreprises avec plusieurs centres de conception où différents équipements sont rencontrés.
LabNotebook, plus qu’un rapport de laboratoire
Le LabNotebook amélioré a déjà été mentionné en tant que générateur de rapports, mais c’est bien plus que cela. Il s’agit d’une archive virtuelle d’une mesure spécifique. Le LabNotebook amélioré est un fichier de base de données qui contient toutes les formes d’onde affichées, la configuration, l’image de l’écran actuel et toute annotation fournie par l’utilisateur à partir de l’oscilloscope. Lorsqu’il est importé dans Maui Studio, il rappelle également la configuration du modèle de l’oscilloscope source et toutes ses options installées ainsi que les tracés et les paramètres de forme d’onde. Ceci est un exemple d’une propriété appelée héritage et est illustré dans Figure 5.

Figure 5 La configuration d’origine de Maui Studios, illustrée à gauche, était en tant que HDO4024A. Après avoir importé un LabNotebook, il est reconfiguré, comme illustré à droite, en tant que WaveRunner 9404M. Notez également l’augmentation des options répertoriées qui sont désormais disponibles.
Quelles sont les applications des logiciels de contrôle et d’analyse à distance ?
Ces programmes étendent l’accès à leurs oscilloscopes associés, ce qui présente de nombreux avantages directs, dont certains sont les suivants :
- Le retour sur investissement des oscilloscopes est amélioré en étendant les fonctions de mesure et d’analyse chronophages hors ligne à plusieurs personnes. Cela laisse l’instrument disponible pour plus d’opérations d’acquisition de données, une utilisation plus efficace de l’instrument.
- Ils vous permettent de rappeler les données archivées et de confirmer les mesures et analyses d’origine.
- Lorsque les revues de conception déterminent que des mesures et des analyses supplémentaires sont nécessaires, elles peuvent, dans de nombreux cas, être effectuées avec les données stockées sans qu’il soit nécessaire de répéter l’expérience physique.
- Vous avez retourné votre matériel de location ? Il est possible d’examiner et de réanalyser les données à l’aide des formes d’onde archivées même si l’équipement d’origine a disparu.
- Ouvrez, analysez ou comparez les formes d’onde d’instruments d’autres fabricants.
Et en regardant spécifiquement les applications de Maui Studio avec Enhanced LabNotebook (au-delà de celles décrites ci-dessus):
- Simulez les altérations du signal à l’aide d’un filtrage intégré ou d’un logiciel mathématique tiers.
- Simulez des expériences source-réponse à l’aide du générateur de fonctions arbitraires (AFG) intégré et des fonctions mathématiques de l’oscilloscope comme outils de modélisation.
- Utilisez Maui Studio comme outil de formation pour fournir des exemples concrets à vos nouveaux collègues. Apprenez-leur à utiliser les derniers outils d’oscilloscope.
Dans un lieu de conception collaborative, ces progiciels de contrôle et d’analyse à distance sont le point central de la coopération, de la coordination et de la collaboration entre les membres de l’équipe de projet, permettant le partage et l’analyse conjointe des données. La clé de ce type de gain de productivité est la capacité à partager non seulement les données, mais aussi à partager les outils d’affichage, de mesure et d’analyse entre les membres de l’équipe.
Arthur Pinii est un spécialiste du support technique et un ingénieur électricien avec plus de 50 ans d’expérience dans les tests et mesures électroniques.
Contenu connexe